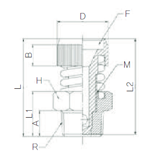
상아뉴매틱 ST 소음기(PT)
1,140원
용도
- 각종 소음이 발생되는 기기의 배기 포트에 설치하여 대기로 배출되는 공기압의 소음을 감소하는 데 사용합니다.
특징
- 소음 효과가 뛰어납니다.
- 각종 재질에 따라 선택하여 사용이 가능합니다.(BRASS, STAINLESS, STEEL, PLASTIC, AL)
- 내구성이 오래가며, 사용 장소가 광범위합니다.
- COMPACT형이어서 좁은 장소에서도 설치가 가능합니다.
※ 주문 시 팩 단위로 주문 가능합니다.
위치확인
위치확인
010-9336-6996
경남 창원시 의창구 창원대로 400 (팔용동, 창원기계공구상가)
120호 한국종합상사









