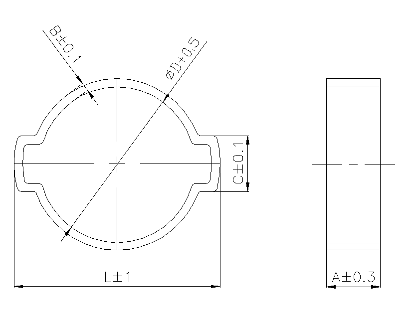
상아뉴매틱 HDE 호스밴드 10개 묶음
1,500원
위치확인
위치확인
010-9336-6996
경남 창원시 의창구 창원대로 400 (팔용동, 창원기계공구상가)
120호 한국종합상사







