상아뉴매틱 GPL-G 원터치피팅(MM/PF)
700원
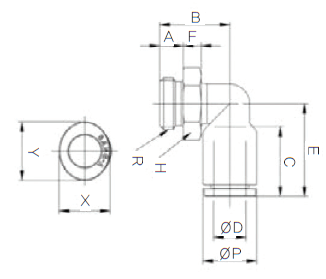
규격
- 호스: MM
- 나사: PF
용도
- 공기압 배관에 사용하는 원터치식 관 연결구입니다.
- 사용자의 환경에 따라서 다양하게 사용할 수 있습니다.
특징
- 튜브를 한동작으로 쉽게 접속할 수 있습니다.
- PC TYPE은 내 측에 육각렌치의 가공으로 협소한 장소의 배관시에 효율적입니다.
- 본체가 회전하는 구조이어서 튜브의 배관이 효율적입니다.(ELBOW, TEE 형식)
- 나사부에는 가스켓, 오링 및 테프론 처리가 되어있습니다.
※ 주문시 팩(10EA) 단위로 주문가능합니다.
위치확인
위치확인
010-9336-6996
경남 창원시 의창구 창원대로 400 (팔용동, 창원기계공구상가)
120호 한국종합상사









