상아뉴매틱 GPT-C(G) 컴팩트타입 원터치피팅(MM/PF)
2,280원
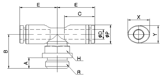
규격
- 호스: MM
- 나사: PF
용도
- 소형 장비의 공기압 배관에 사용하는 초소형 원터치식 관 연결구입니다.
- 사용자의 환경에 따라서 다양하게 사용할 수 있습니다.
특징
- 튜브를 한 동작으로 쉽게 연결 및 분리할 수 있습니다.
- 초소형 규격으로 재래형에 비해 체적은 40%, 외경은 20%가 더 소형화된 원터치 피팅입니다.
- 니켈도금으로 표면처리가 되어 있어 내부식성이 뛰어납니다.
- 협소한 공간에서도 튜브의 착탈이 편리하도록 타원형 슬리브로 되어있습니다.
※ 주문 시 팩(10EA) 단위로 주문 가능합니다.
위치확인
위치확인
010-9336-6996
경남 창원시 의창구 창원대로 400 (팔용동, 창원기계공구상가)
120호 한국종합상사









