상아뉴매틱 FPUT SUS316 원터치피팅(MM/PT)
10,770원
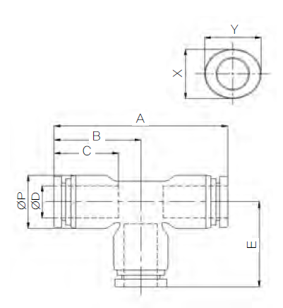
용도 및 특징
- 식품, 화학산업에 사용하는 원터치식 관 연결구입니다.
- 사용자의 환경에 따라서 다양하게 사용할 수 있습니다.
- 고온의 유체 및 환경에서도 사용 가능한 적합한 제품입니다.
- 화학 저항성이 우수하며, 화학산업 및 제약산업 사용에 적합한 재질로 제작된 제품입니다.
- STAINLESS 몸체로 강도가 높고 내구성이 우수합니다.
- TUBE를 원터치 방식으로 쉽게 탈착할 수 있습니다.
- 본체가 회전하는 구조이어서 TUBE의 배관이 효율적입니다.
- CLEAN-ROOM 내에서 부품을 세정하여 조립, 포장합니다.
※ 주문 시 팩 단위로 주문 가능합니다.
위치확인
위치확인
010-9336-6996
경남 창원시 의창구 창원대로 400 (팔용동, 창원기계공구상가)
120호 한국종합상사









