상아뉴매틱 GNSH-G 스피드컨트롤러(MM/PF)
3,490원
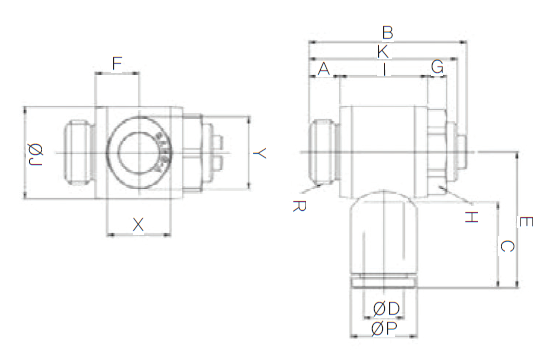
용도
- 공기압용 구동 기기의 속도제어에 사용하는 밸브입니다.
- 실린더, 공압 핑거 등 주로 구동 기기에 장착하여 많이 사용합니다.
특징
- 소형 경량화로 장비에 부착 시 차지하는 면적이 작습니다.
- 저 유량에서 대 유량까지 미세조절이 용이합니다.
- 소형타입은 본체가 소형화된 것으로 일반 타입과 같은 유량을 얻을 수 있습니다.
※ 주문 시 팩 단위로 주문 가능합니다.
위치확인
위치확인
010-9336-6996
경남 창원시 의창구 창원대로 400 (팔용동, 창원기계공구상가)
120호 한국종합상사









