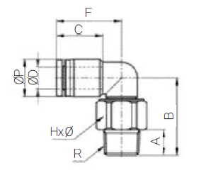
상아뉴매틱 NRL 로터리조인트(INCH/NPT)
13,890원
용도
- 회전 및 요동이 심한 부분에 압축공기 공급 시에 사용합니다.
- 인덱스 테이블, 산업용 로봇 등에 장착을 하여 많이 사용합니다.
특징
- 베어링이 내장되어 고속 회전 및 요동부에 사용이 가능합니다.
- 두 개의 베어링을 장착한 HIGH ROTARY JOINT가 적용하기 어려운 고속 회전 및 이외 연결에 적합합니다.
위치확인
위치확인
010-9336-6996
경남 창원시 의창구 창원대로 400 (팔용동, 창원기계공구상가)
120호 한국종합상사









