상아뉴매틱 CLPCF 클린피팅(MM/PT)
3,790원
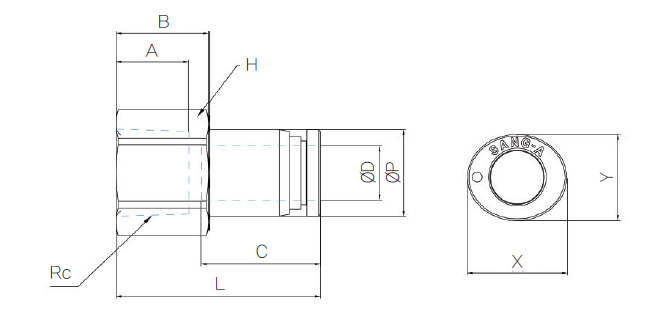
용도
- CLEAN AIR, PURE WATER, 약액 배관용으로 쓰입니다.
특징
- 클린룸 내에서 부품을 세정하여 조립, 포장하고 고무류에는 일체 유지류를 사용하지 않은 완전금유처리된 제품입니다.
- 폴리프로필렌 수지를 소재로 사용하여 무발진 및 비오염섬이 우수합니다.
- 나사 본체는 폴리프로필렌(PP)과 STAINLESS 304의 선택이 가능합니다.
- 플라스틱 재질이 투명하여 유체의 확인 가능합니다.
※ 주문 시 팩 단위로 주문 가능합니다.
위치확인
위치확인
010-9336-6996
경남 창원시 의창구 창원대로 400 (팔용동, 창원기계공구상가)
120호 한국종합상사









