상아뉴매틱 HR-PC(G) 내열피팅(MM/PF)
4,760원
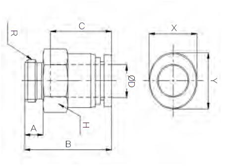
용도 및 특징
- 고온의 증기, 약액, 액체(온수, 커피, 증기 등)에 사용하는 원터치식 관 연결구입니다.
- 사용자의 환경에 따라서 다양하게 사용할 수 있습니다.
- 150℃(온수, 커피, 증기 등)까지의 사용에 적합한 제품 재질로 제작된 제품입니다.
- 튜브를 원터치 방식으로 쉽게 탈착할 수 있습니다.
- 본체가 회전하는 구조이어서 튜브의 배관이 효율적입니다.
- 타원형 슬리브는 협소한 공간에서 튜브를 쉽게 분리할 수 있습니다.
- 클린 룸 내에서 부품을 세정하여 조립, 포장합니다.
위치확인
위치확인
010-9336-6996
경남 창원시 의창구 창원대로 400 (팔용동, 창원기계공구상가)
120호 한국종합상사











