상아뉴매틱 CRTUL 내화학투터치피팅(MM)
2,180원
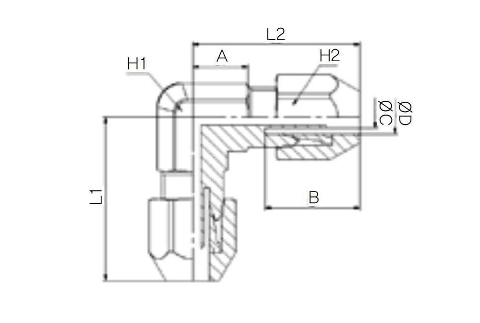
용도
- 공기압 및 화학산업 배관에 사용하는 너트 조임식 관 연결 구 입니다.
- 사용자의 환경에 따라서 다양하게 사용할 수 있습니다.
특징
- 내부식성, 내약품성, 내화학성 등이 우수합니다.
- 플라스틱으로 제작되어 반영구적으로 수명이 깁니다.
- 클린룸 내에서 부품을 세정하여 조립, 포장되는 제품입니다.
- PVDF 수지를 소재로 사용하여 무발진 및 비오염성이 우수합니다.
- 튜브의 체결방식이 강제 조임으로 진동부 및 요동이 심한 곳에서 탁월한 효과를 가집니다.
사용 시 주의 사항
- 금속나사보다 응력완화현상의 발생률이 높고, 고온의 환경에서는 그 현상이 더욱 많이 나타날 수 있기 때문에 정기적으로 나사를 조여주셔야합니다.
※ 주문 시 팩 단위로 주문가능합니다.
위치확인
위치확인
010-9336-6996
경남 창원시 의창구 창원대로 400 (팔용동, 창원기계공구상가)
120호 한국종합상사











