세광하이테크 SLA ADJUSTABLE ELBOW(MM) - 1팩
5,500원
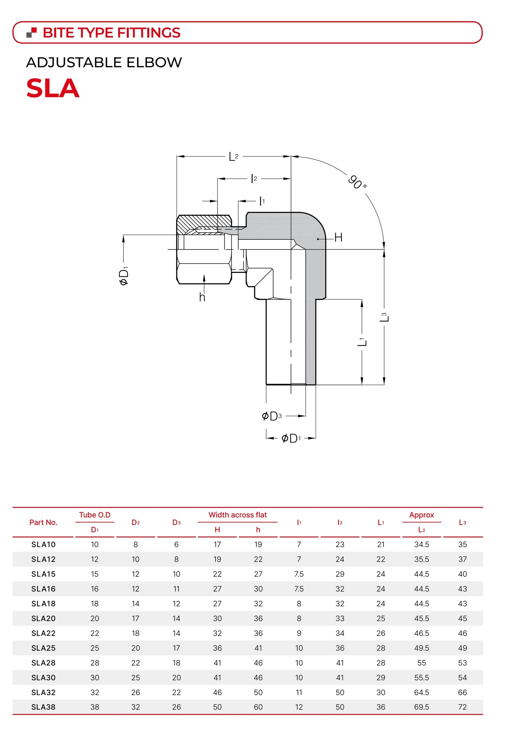
규격
- 파이프/튜브: MM(파이)
참고사항
- 유압 배관에 사용되는 바이트 타입 피팅입니다.
주의사항
- 파이프/튜브 규격과 바이트 타입 규격이 동일한지 확인이 필요합니다.
- 파이프와 체결 시 SLEEVE가 안정적으로 체결되었는지 확인이 필요합니다. SLEEVE가 체결이 불안정하게 체결되었다면 누유가 있을 수도 있습니다.
※ 주문 시 팩 단위로 주문 가능합니다.
※ 카달로그 및 옵션에 등록되어 있지 않는 규격은 문의부탁드립니다.
위치확인
위치확인
010-9336-6996
경남 창원시 의창구 창원대로 400 (팔용동, 창원기계공구상가)
120호 한국종합상사







